1.功能
JY系列液壓馬達式電纜卷筒是以液壓馬達為驅動源從而自動收放電纜,通過集電環為移動設備作業提供電力供應的設備。具有結構簡單、操作安全、可靠等優點。
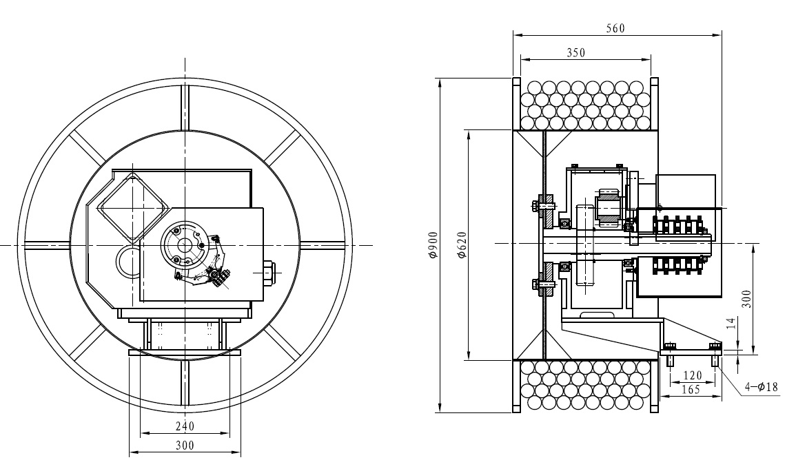
2.結構特點
2.1 采用模塊化布局設計,整機分為卷筒部分,回轉支撐部分,液壓馬達組件部分,集電環部分,底座部分;
2.2 整機結構緊湊,大大減少了安放空間要求;
2.3 集電環作為一個單獨的整體內置于卷筒內部,通過特別設計使其分別與卷筒和底座連接,實現相對轉動;
2.4 分別在筒體內部及底座上設置有接線端子,用戶可以直接將電纜接入接線端子固定。
3.基本工作原理和使用條件
3.1 基本工作原理
3.1.1 釋放電纜
①主動放纜方式:啟動電纜卷筒使卷筒往放纜方向旋轉,人為將電纜拉至接線處接好電纜。
②被動放纜方式:先接好電纜,然后車往前開至指定位置,電纜被動拉出。
3.1.2 卷取電纜
啟動電纜卷筒使之往卷電纜方向旋轉從而將電纜收取,可人為輔助排纜。
3.2 使用條件
電纜卷筒正常工作溫度為-20℃~45℃,當環境溫度低于-20℃,電纜卷筒不工作時,需對所有管路進行保溫,以防止液壓原件凍裂,電纜卷筒工作時,甲方先對其通電預熱15分鐘以上,確保油路暢通后再進行操作。
